Kính hiển vi điện tử quét SEM với Ceramics và Hard Coatings
Có thể thực hiện quan sát các mẫu không dẫn điện và mẫu không có lớp phủ ở chế độ áp suất thay đổi mà không phá hủy mẫu trên Kính hiển vi điện tử quét SEM TESCAN.
Trong một số trường hợp, sử dụng các vật liệu có thành phần từ ceramic là một trong những giải pháp để giải quyết các vấn đề kỹ thuật mà các vật liệu truyền thống không đáp ứng được.
Ceramic kỹ thuật có thể được chia theo các nhóm dưới đây: ceramic ô-xit (thành phần chính là các ô-xit của kim loại như nhôm, kẽm, beri, xeri); ceramic không có ô-xit (là vật liệu dựa trên carbides, nitrides, borides and silicates) và ceramic composite (bao gồm vật liệu ceramic được cố định bởi các sợi, hạt cũng như sự kết hợp của ceramic ô-xit và ceramic không có ô-xit).
- Ceramic cao cấp đề cập đến những kỹ thuật và công nghiệp ceramic
- Vật liệu ceramic có khả năng chống lại sự ăn mòn rất tốt và có đầy đủ các tính chất cơ, nhiệt, điện.
- Ceramic cao cấp có ứng dụng rất rộng rãi trong công nghiệp điện-điện tử, y học, tự động.
- Kính hiển vi điện tử quét SEM TESCAN (FEG-SEMs - loại dùng nguồn phát xạ trường) là thiết bị lý tưởng phục vụ cho những nghiên cứu về vật liệu ceramic cho độ phân giải cao.
- SEM có thể được sử dụng kết hợp với Công nghệ giảm tốc chùm tia -Beam Deceleration Technology (BDT) để đạt được hình ảnh có độ phân giải cao ngay cả khi năng lượng điện tử cực thấp, cho phép người dùng thu được hình ảnh tuyệt vời về cấu trúc vi mô của các mẫu vật.
- Micro-CT cho phép quan sát các đặc điểm bên trong mà không phá hủy mẫu như độ xốp, vết nứt và sự phân bố của các pha.
Một vài ảnh chụp bằng Kính hiển vi điện tử quét SEM TESCAN

Al2O3 overview SE BSE detector (chụp bằng kính hiển vi điện tử quét SEM TESCAN)

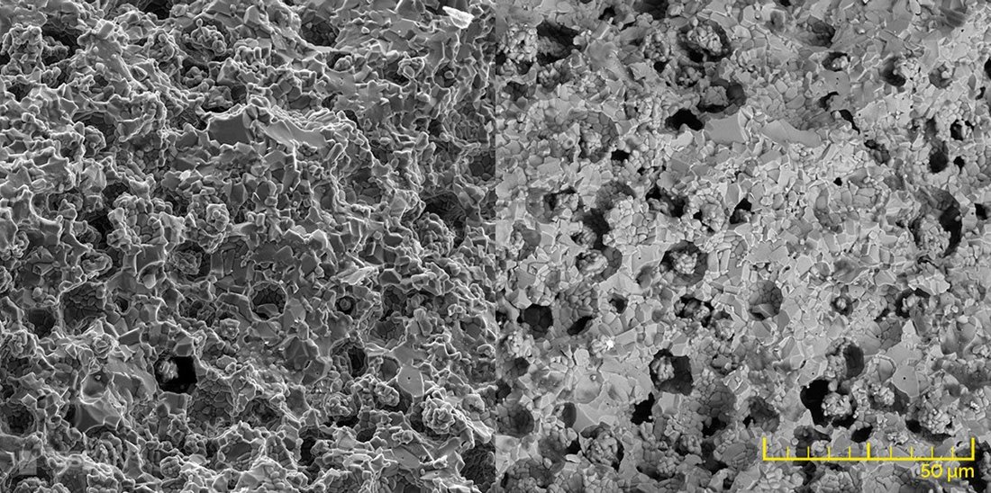
SiC (chụp bằng kính hiển vi điện tử quét SEM TESCAN)

Cutting tool edge coatings (Chụp bằng kính hiển vi điện tử quét SEM TESCAN)

Zirconia (Chụp bằng kính hiển vi điện tử quét SEM TESCAN)

Corund inclusion Al2O3 silicates (Chụp bằng kính hiển vi điện tử quét SEM TESCAN)

Tiếng Việt
日本語 (Japan)
한국어 (Korean)
中文 (Chinese)
English (UK)